Voor een maximale hefhoogte ten opzichte van de beschikbare hoogte.
Gebruik transportmateriaal om het product van de vrachtwagen te halen als er geen losperron is. Voor alle hijsbalken met een groter hefvermogen of een grotere hefhoogte: neem contact met ons op. Voor bevestiging conform de geldende voorschriften moet u de originele verankeringskits bestellen die wij als accessoire aanbieden. Om een massieve verankering te voorkomen (alleen bij hijsbalken met een hefvermogen van 250 kg), kunnen wij de hijsbalk op bestelling voorzien van een speciale grondplaat en chemische pluggen voor gebruik met een betonnen tegel van kwaliteit 23 MPa en met een dikte van minimaal 200 mm. Neem contact met ons op. Als optie leverbaar: elektrische takel DEmag DC.Com met loopkat, 2 snelheden, hefhoogte 4 m, voeding 400 V, aansturing met laagspanning 24 V, voedingssnoer op stalen geleidekabel van 2 tot 5 m lang. Gemaakt op bestelling. Kan niet worden teruggenomen of geruild.
Takel en loopkat niet meegeleverd
Gemaakt in Duitsland
Max. belasting (kg) : 1000
CE
Milieu- en/of sociale voordelen
Deze verpakking is geheel of gedeeltelijk gerecycled. Dit betekent dat het is gemaakt van materialen die afkomstig zijn van recyclingketens (raadpleeg de technische kenmerken voor meer informatie).
Specificaties
Productinformatie
Productnaam
Kolomzwenkkraan met rechte arm - Hefvermogen 1000 kg
Merk
Vetter Krantechnik
Verpakking
Per stuk
Technische specificaties
Model
Kolomzwenkkraan RPI
Max. belasting (kg)
1000 kg
Klantgarantie
3 jaar
Rotatiehoek (°)
270 °
Oorsprong van het product
Gemaakt in Duitsland
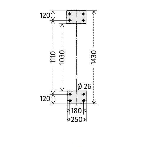
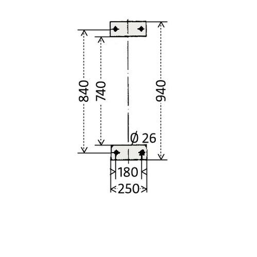
Hoogte onder balk (m)
3 m
Gerecyclede verpakkingen (%)
20 %
Documentatie
Selecteer je product om de beschikbare documenten te tonen